Özellikler
Bükme kirişli ağırlık yük hücresi 10,20,50,100,200,500kg strain gauge teknolojisine dayanmaktadır. Yüksek hassasiyetli sensörün kurulumu kolaydır. Bükme kirişli yük hücresi özellikle yüksek koruma sunar, örneğin IP68 su geçirmezlik. Ağırlık sensörü uygulamalar için sınırsız olanaklar sunar.Yüksek hassasiyet
Yüksek hassasiyetli tartım uygulamaları
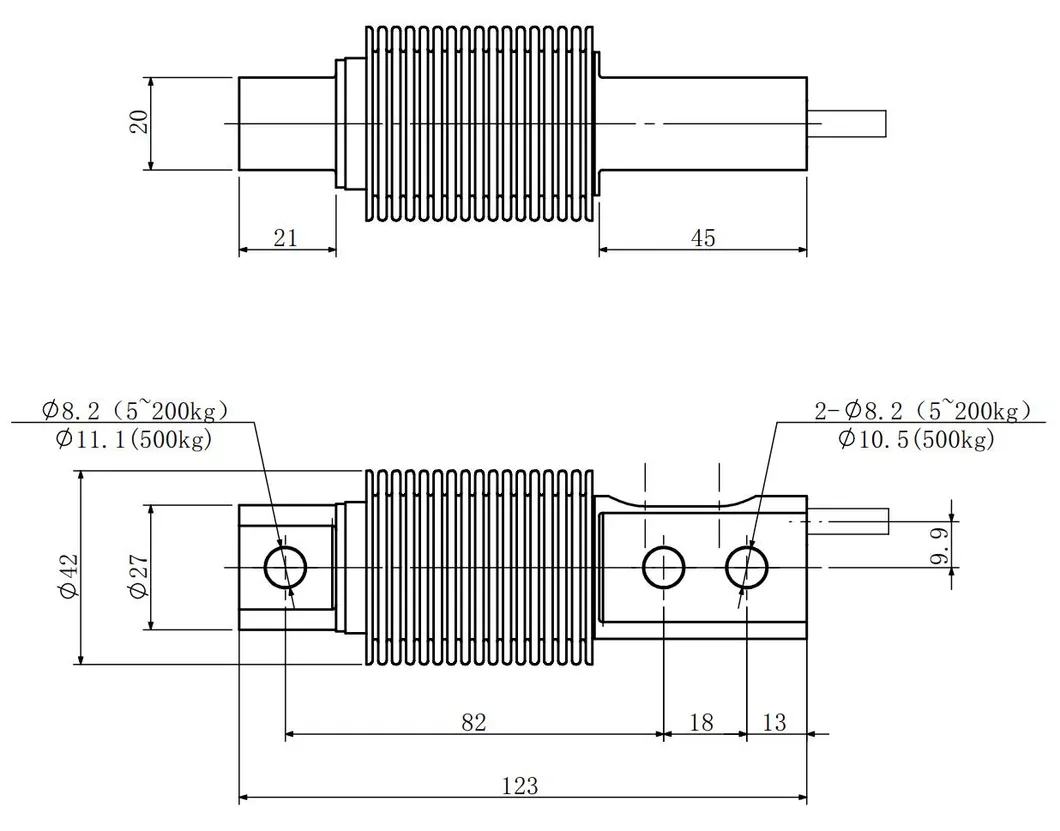
Montaj Boyutu
Yük Yönü

KablolamaKodu

ÖzelliklerÖzelliklerTeknikKapasite10,20,50,100,200,500kg

C3
| C3 | Nominal çıkış |
| 2.0 | ± |
| 0.05mV/V | Sıfır dengesi |
| ± | 2%F.S.5000M0.018%F.S. |
| Histerezis | 5000MTekrarlanabilirlik |
| 0.018%F.S. | ºC |
| 0.0166%F.S. | Çıkış üzerindeki sıcaklık etkisi |
| 0.008%F.S./10 | ºC |
| Sıfır üzerindeki sıcaklık etkisi | 0.0125%F.S./10 |
| ºC | Giriş empedansıKablo boyutu |
| ± | 5Kablo boyutu |
| Çıkış empedansı | 3505000MTelafi edilmiş sıcaklık aralığı15V |
| İzolasyon | ≥5000MTelafi edilmiş sıcaklık aralığı15V |
| Önerilen uyarım | 5~15VMaksimum uyarım |
| 20V | Telafi edilmiş sıcaklık aralığıNihai aşırı yük10 |
| ~ | 40 |
| ºC | Güvenli aşırı yük-Nihai aşırı yük~Kablo boyutu |
| ºC | Güvenli aşırı yük150%F.S.Nihai aşırı yük300%F.S.Kablo boyutu |
| Φ5.4×1500mm | Malzeme |
| Paslanmaz Çelik | IP Sınıfı |
| IP68 | Xi'an Ruijia Ölçüm Cihazları A.Ş., çeşitli endüstriler için yüksek kaliteli çözümler sunmaya adanmış, kuvvet sensörleri ve ilgili ürünlerin üreticisidir. Yenilikçilik, güvenilirlik ve hassasiyete olan bağlılığımızla, dünya çapındaki işletmeler için güvenilir bir ortak olarak kendimizi kanıtladık. |
| 2005 yılında kurulan, tartım teknolojisi alanında yılların deneyimini biriktirerek, müşterilerimizin ihtiyaçlarına göre uyarlanmış ürünler sunmamızı sağladık. Ürün yelpazemiz, kapsamlı bir yük hücresi, tartım modülleri, kontrolörler, sistemler ve yazılım çözümleri yelpazesini içerir. Endüstriyel otomasyon, lojistik, nakliye, sağlık, perakende ve daha fazlası için uygun çeşitli tartım ürünleri sunuyoruz. | Xi'an Ruijia Ölçüm Cihazları A.Ş.'de, teknolojik uzmanlığımız ve sürekli iyileştirmeye olan bağlılığımızla gurur duyuyoruz. Yetenekli mühendislerden oluşan ekibimiz, ürünlerimizin en yüksek performans ve doğruluk standartlarını karşılamasını sağlayarak, tartım teknolojisinin sınırlarını zorlayan yenilikçi çözümler geliştirmeye kendini adamıştır. Hem yurt içi hem de uluslararası pazarlarda, küçük işletmelerden çok uluslu şirketlere kadar her boyuttan işletmeye hizmet veren, küresel bir müşteri kitlesine hizmet veriyoruz. |
| Kalite, yaptığımız her şeyin merkezinde yer alır. Ürünlerimizin endüstri standartlarını karşılamasını veya aşmasını sağlamak için üretim süreci boyunca sıkı kalite kontrol önlemlerine uyuyoruz. Kaliteye olan bağlılığımız, müşterilerimiz arasında güvenilirlik ve mükemmellik konusunda bir itibar kazanmamızı sağlamıştır. Ayrıca, müşteri memnuniyeti en büyük önceliğimizdir. Müşterilerimiz için sorunsuz bir deneyim sağlamak için teknik danışmanlık, satış öncesi yardım ve satış sonrası hizmet dahil olmak üzere kapsamlı müşteri hizmetleri ve desteği sunuyoruz. | Yenilikçilik, kalite ve müşteri memnuniyetine odaklanan Xi'an Ruijia Ölçüm Cihazları A.Ş., tüm tartım sensörü ihtiyaçlarınız için güvenilir ortağınızdır. Bugün bizimle iletişime geçin! |
![]()